Typ 07015 - Füllmodul mit Rückschlagfunktion

Das im Bild dargestellte Produkt kann vom verkauften Produkt abweichen.
Verwendungsbereich
Verwendungsbereich:
Zugelassen für Luftgase, Dämpfe und tiefkalte verflüssigte Gase inkl. LNG.
Zulässige Betriebstemperaturen: -196°C (77K) bis +120°C (393K)
Zertifikate
EAC - Eurasian Conformity (010/2011)
EAC - Eurasian Conformity (032/2013)
Gost Ukraine (Gost Ukraine)
Pressure Equipment Directive (2014/68/EU)
Livebestand: Nicht auf Lager pcs (AUF LAGER)
Anwendung | LNG, Luftgase |
---|---|
Anwendungsbereich | Transport, Lagerung, Betankung |
Artikelnummer | CR_07015_2 |

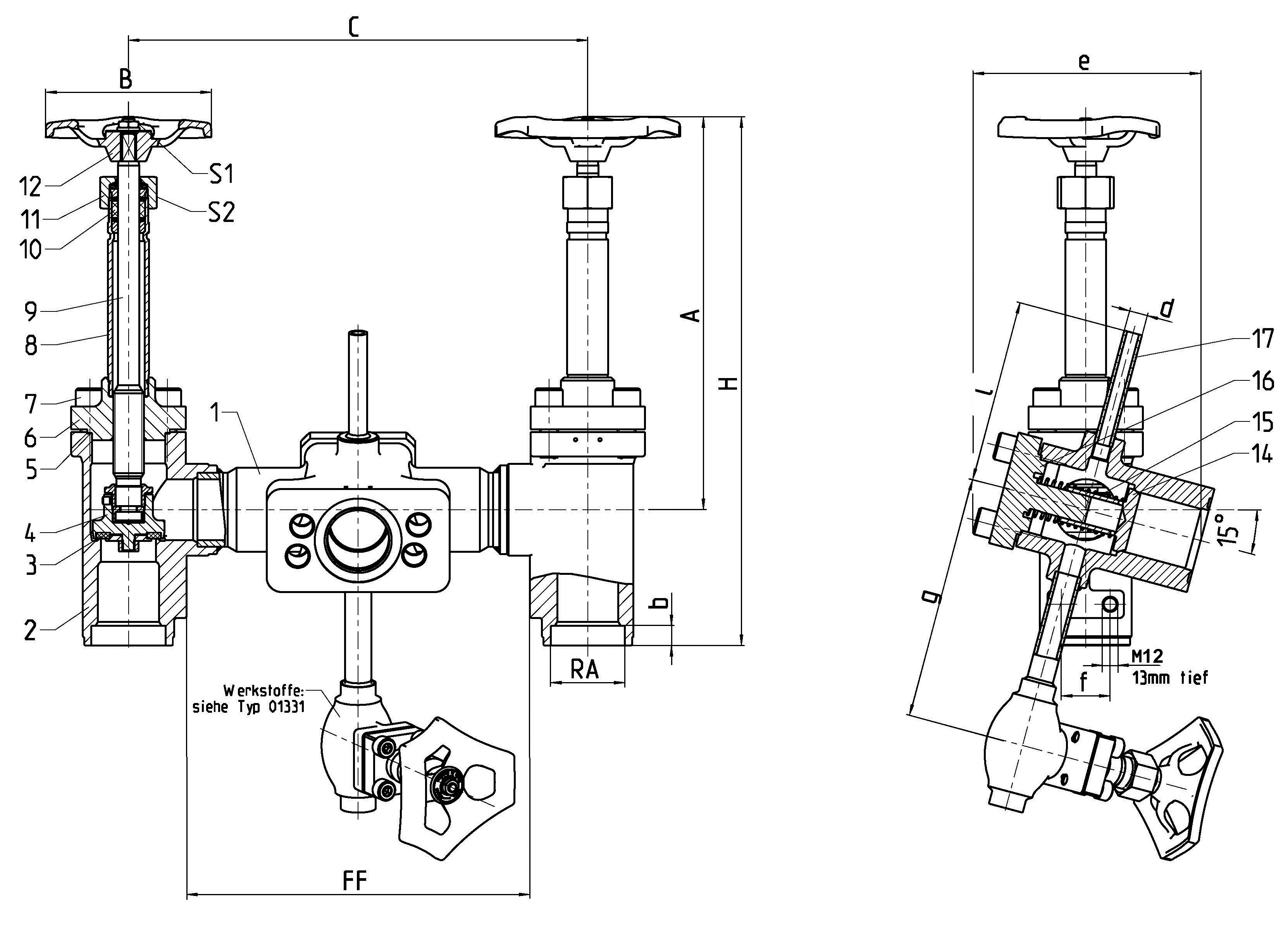
Werkstoffe |
DIN EN |
ASTM |
|
---|---|---|---|
1 |
Füllgehäuse |
1.4308 |
A 351 CF8 |
2 |
Gehäuse |
1.4308 |
A 351 CF8 |
3 |
Dichtung |
PTFE / Elektrocarbon (25%) |
|
4 |
Abschlusskörper |
CW614N |
B 283 UNS C38500 |
5 |
Oberteildichtung |
PTFE |
|
6 |
Oberteilflansch |
CC493K |
B 505 UNS C93200 |
7 |
Oberteilschrauben |
1.4301/A2 |
A 194 B8 |
8 |
Verlängerungsrohr |
1.4541 |
A 213 TP 321 |
9 |
Spindel |
1.4301 |
A 276 Grade 304 |
10 |
Stopfbuchspackung |
Graphit / PTFE |
|
11 |
Stopfbuchsmutter |
CW614N |
B 283 UNS C38500 |
12 |
Handrad |
Aluminium Legierung |
|
14 |
Rückschlagkegel |
CW452K |
B 159 UNS C51900 |
15 |
Feder |
1.4571 |
A 313 Grade 316Ti |
16 |
Deckel |
CC493K |
B 505 UNS C93200 |
17 |
Rohr |
1.4541 |
A 213 TP 321 |
Typ 07015 - Standardausführung |
Technische Daten |
||
---|---|---|---|
Nenngröße |
DN |
25 |
40 |
Größenschlüssel |
.X. |
2533 |
4048 |
Baulänge |
FF |
225 |
225 |
äußerer Rohr-Ø ISO 1127 |
RA |
33,7 |
48,3 |
äußerer Rohr-Ø ASTM A312 |
RA |
33,40 |
48,26 |
Muffentiefe |
b |
13 |
13 |
Höhe |
A |
270 |
270 |
Höhe |
H |
350 |
350 |
Länge |
c |
295 |
301 |
Länge |
e |
76 |
76 |
Länge |
f |
32 |
32 |
Länge |
g |
160 |
160 |
Länge |
l |
120 |
120 |
Durchmesser |
d |
12x2 |
12x2 |
Handrad-Ø |
B |
100 |
125 |
Schlüsselweite |
S1 |
7 |
10 |
Schlüsselweite |
S2 |
30 |
36 |
Gewicht |
ca. kg |
11,2 |
14,0 |
Produktvarianten
Filtern Sie unser Produkt nach spezifischen AttributenName | Anschlussart Austritt | Anschlussart Eintritt | Anschlussdimension Austritt | Anschlussdimension Eintritt | Cv-Wert | Nennweite | Link zum Produkt |
---|
- ...
- ...